常见金属断口通过扫描电子显微镜(SEM)观测下的特征表现
来源:天纵鉴定
|
作者:SKYLABS
|
发布时间: 2365天前
|
2350 次浏览
|
🔊 点击朗读正文
❚❚
▶
|
分享到:
我们知道扫描电子显微镜(SEM)的特点是:景深大,分辨率高,放大倍数变化范围广,对试验样品要求底,可直接观察,特别适合对粗糙表面的观察研究,另外结合配置的X射线能谱仪,可直接探测样品表面的微区成分。在这里天纵君与大家介绍几种电子显微镜下的金属断口典型特征。
我们知道扫描电子显微镜(SEM)的特点是:景深大,分辨率高,放大倍数变化范围广,对试验样品要求底,可直接观察,特别适合对粗糙表面的观察研究,另外结合配置的X射线能谱仪,可直接探测样品表面的微区成分。在这里天纵君(SKYLABS)与大家介绍几种电子显微镜下的金属断口典型特征。
1. 电镜下的疲劳断口特征:
通过电子显微镜观察疲劳断口,我们可以看到宏观上它一般有明显的三个区:疲劳源区、疲劳扩展区和瞬断区。样品电镜观测下的典型疲劳断口样本如下图所示:
2. 电镜下的脆性断口特征:
脆性断裂时,一般没有、或很少出现宏观变形特征,有明显的“人字花样”,可能出现碎块。脆性断裂一般通过两种断裂方式,即解理和沿晶中的一种,或混合扩展。微观特征有解理特征和沿晶特征。我们通过电镜观测下的典型脆性断口样本如下:
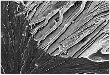
3. 电镜下的韧性断口特征:
由于过载造成的塑性断裂,宏观一般有明显的塑颈变形,断口粗糙呈灰暗色。典型的微观特征是韧窝花样,根据受力的状态不同,微观特征有一定的变化。产生原因一般是材料没有足够的强度,使用条件超出了设计限值,零部件在工作时承受了异常的载荷。我们在电镜观测下的典型韧性断口样本如下所示:
目前通过电子显微镜确认金属材料失效原因的相关技术,已被我公司(上海新蓦尔检测技术有限公司)应用到了汽车零部件、精密零部件、模具、铸锻焊、热处理、表面防护等金属相关领域的质量事故案件分析中,在对调查确认零部件失效原因和质量事故发生原因上均取得了良好的效果。