IEC 62368-1:2018(第3版) 主体变更内容摘要
来源:天纵检测
|
作者:SKYLABS
|
发布时间: 2706天前
|
4197 次浏览
|
分享到:
天纵检测(SKYLABS)注意到在2018年10月4日,国际电工委员会IEC发布了第3版IEC 62368-1:2018标准,IEC 62368-1相比它的第2版在以下方面发生了主要变化有:增加了对户外设备的要求、对光学辐射的新要求、增加对液体绝缘材料的要求、增加对成套工作组件/工作单元的要求、增加对无线电力发射器的要求、增加对全绝缘绕组线的要求、对防火外壳上下及边缘开孔提供可选的判定方法、对声压有可替代的要求等。
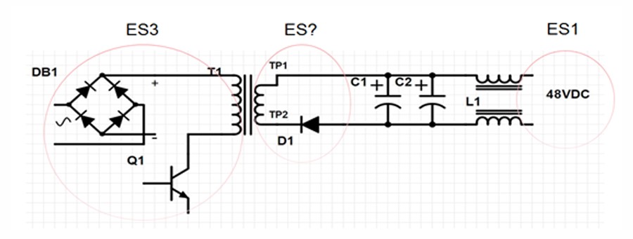
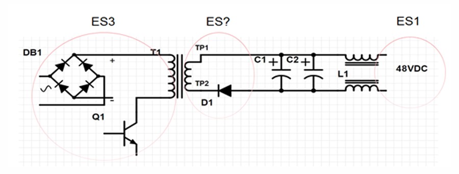
ES3 mains / ES3 isolated (5.3.1)的要求
从5.3.1:ES2或ES3电路中抽取出可触及的ES1或ES2电路,应通过双重保护或加强保护从ES3电源中分离出来。 此外,适用下列情况:
·在ES2/ES3与可触及ES1之间的电路中的单故障条件下,电流或电压水平不得超过ES1极限
·在ES2/ES3与可触及ES2之间的电路中的单故障条件下,电流或电压水平不应超过ES2极限
19. 更新了G.15.2的要求
静水压在正常工作条件下,最大工作压力由原来的5倍改为3倍。
静水压在异常和单一故障条件下,最大工作压力由原来的3倍改为2倍。
20. 更新了电池要求的 Annex M
电池标准IEC62133,修正为IEC62133-1, IEC62133-2, 钮扣电池M.2.1 。
二次锂电池防火外壳的要求,即使通过了单一故障测试,也不接受不用防火外壳 , 除非电池通过 PS1的评估,才可以不需要防火外壳。
以上IEC62368-1:2018第三版的总结内容主要来自于网络文章,感谢相关作者的总结,前人栽树,后人乘凉。