上海新蓦尔检测技术有限公司
SHANGHAI sKYLABS CO.,lTD
品质源于专业,诚信铸就品牌
只为一个专业的检测与鉴定服务
名称描述内容
新闻中心
News Center
始终把客户放在第一位,关注客户需求
IEC 62368-1:2018(第3版) 主体变更内容摘要
来源:天纵检测 | 作者:SKYLABS | 发布时间: 2706天前 | 4196 次浏览 | 分享到:

IEC62368-1是最新的国际产品安全标准,它涵盖了视听、消费电子、咨询科技类产品,在未来几年内会完全取代现行的IEC 60950-1IEC 60065相关标准(目前欧盟预计在20201220日替代老的6095060065标准)。

天纵检测(SKYLABS)近日也注意到在2018104日,国际电工委员会IEC发布了第3IEC 62368-12018标准,我们预计欧盟也很有可能随后会发布EN 62368-13版,IEC 62368-1相比它的第2版在以下方面发生了主要变化有:增加了对户外设备的要求、对光学辐射的新要求、增加对液体绝缘材料的要求、增加对成套工作组件/工作单元的要求、增加对无线电力发射器的要求、增加对全绝缘绕组线的要求、对防火外壳上下及边缘开孔提供可选的判定方法、对声压有可替代的要求等。具体如下:

 

1.增加了户外产品的要求

在第2版中,户外产品的要求需要参考IEC 60950-22,而第3版已经把IEC 60950-22的要求归纳到附录Annex Y Construction requirements

2. 更新了光辐射危害的要求

标准的表39,激光投影仪的危害等级和防护说明需要依据IEC 60825-1/-5LED灯投影仪的危害等级和防护说明需要依据IEC 62471-5

3. 增加了绝缘液体的要求

  与绝缘液体接触的零件温度不要超过绝缘液体的闪点 (闪点是在规定的试验条件下,使用某种点火源造成液体汽化而着火的最低温度)。

4. 增加了工作单元的要求

  设备里给到人员在维修或者操作的时候完全进入或者部分进入的空间, 是否会产生机械伤害,主要保护人员的安全,评估相关安全联锁和钥匙或者工具的要求。

5. 增加了无线能量传输装置的要求

  新增9.6章节电磁场转换电功率,手持式设备的电池无线充电器。对于靠近发射器的外部金属可能被辐射导致高温的危险,增加9.6.3测试评估的要求。

6. 增加了充分绝缘线的要求

要求符合标准IEC 60851-5:2008, IEC 60317-0-7 IEC 60317-56, 另外最大绝缘等级Class 155(F) ,成品元件要做生产线的耐压测试 G.5.3.4.7

7. 更新了设备开孔的要求

 

 

8.更新了4.4.3.7的玻璃固定测试要求

除了PS33类能量源外,用于采用夹层玻璃防护的需要增加该测试。

9. 更新了声压EN 50332-3的要求

  更新标准的10.6章节,在不满足EN50332-1, EN50332-2的时候可以考虑EN50332-3

10. 更新了PS2PS3中的内部和外部导线的要求

  标识有VW-1UL认证的导线可以接受。

11. 更新了5.5.6电阻过载测试的要求,更新了5.5.7 SPD在火线和零线间的压敏电阻需符合G.8的要求

12. 更新了8.11导轨固定设备的测试要求

  单一伸展位置应符合在延伸位置施加向下力的测试要求。

  维修和安装位置应符合维修位置施加向下力的测试要求。

  所有滑轨所在维修位置和安装位置均应符合81.3.281.3.3的测试要求。

13. 更新了8.6.5 水平外力测试的要求

  外部水平外力施加大小为设备重量的20%或者250N,两者取低者。

14. 更新了6.4.5.2PS2电路中的控制火焰蔓延的要求

  原本第2版需要防火外壳的情况,在第3版,只要满足6.4.5.2列出的任一条件,就可以不需要防火外壳。

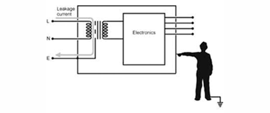
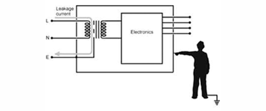
15. 澄清了5.7.4不接地的可触及部件接触电流的要求

16. 更新了5.5.2.2连接装置断开之后的电容放电测试的要求

  不用在考虑X-cap的电容量20%公差问题。

17. 更新了5.4.4.9 频率高于30kHz 的固态绝缘的要求

  耐压测试可以基于高频电场的衰减系数进行。

18. 更新了